聯系我們
- 聯系人:張先生
- 手 機:18861720686
- 郵 箱:1345450654@qq.com
- 郵 編:214211
- 地 址:江蘇省無錫市和橋鎮
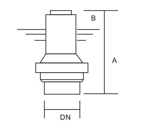
可調玉柱噴頭

玉柱噴頭噴嘴斷面為一環縫隙,當壓力水從中直射噴出時,其水姿呈筒狀空心水膜,形似水晶圓柱。該噴頭噴出的水勢宏偉壯觀,抗風性能好。

| 噴頭型號 | 主要性能 | 連接管 | 安裝尺寸 (mm) | |||||
| 水壓 (kpa) | 流量 (m3/h) | 噴高 (m) | 噴灑直徑 DN(mm) | 直徑 DN(mm) | 連接形式 | A | B | |
| QN-318 | 60 | 1.5 | 0.25 | 0.45 | 20 | 內螺紋 | 160 | +140 |
| QN-102 | 60 | 2.00 | 0.30 | 0.60 | 25 | 內螺紋 | 160 | +145 |
| QN-202 | 60 | 2.50 | 0.35 | 0.90 | 40 | 內螺紋 | 165 | +145 |
| QN-103 | 60 | 4.00 | 0.40 | 1.20 | 50 | 內螺紋 | 175 | +150 |
噴泉噴頭:也成噴泉噴嘴全部采用銅或不銹鋼制作,這樣具有黃金的色彩或銀光閃閃,噴頭顯得豪華氣派。其工藝精巧美觀,結構合理,性能高效節能。其中常用的有:KT可調直流噴頭、BQ半球形噴頭、QN牽牛花噴頭、SB樹冰形噴頭、HZ花柱噴頭、LH禮花噴頭、YQ涌泉噴頭、YZ玉柱噴頭、XZ旋轉噴頭、XZ旋轉蟹抓蘭、BZ扇形噴頭、WZ霧狀噴頭、JQ加氣噴頭、ZS直上噴頭、DX定向水簾噴頭、PG蒲公英噴頭、KQ孔雀開屏噴頭、HX環隙式噴頭、GS高射噴頭、SM水幕噴頭、BM百米噴頭、CP草坪噴頭等產品系列。
無錫海銳朗噴泉工程有限公司是一家集產品研發、噴泉冷霧設備設計、安裝、調試及培訓為一體的大型綜合性公司,我們歡迎您來電咨詢,期待與您的合作!


print
close